OPENRANDOM.ORG
OPENRANDOM.ORG
ABOUT
BUY
RESOURCES
CONTACT
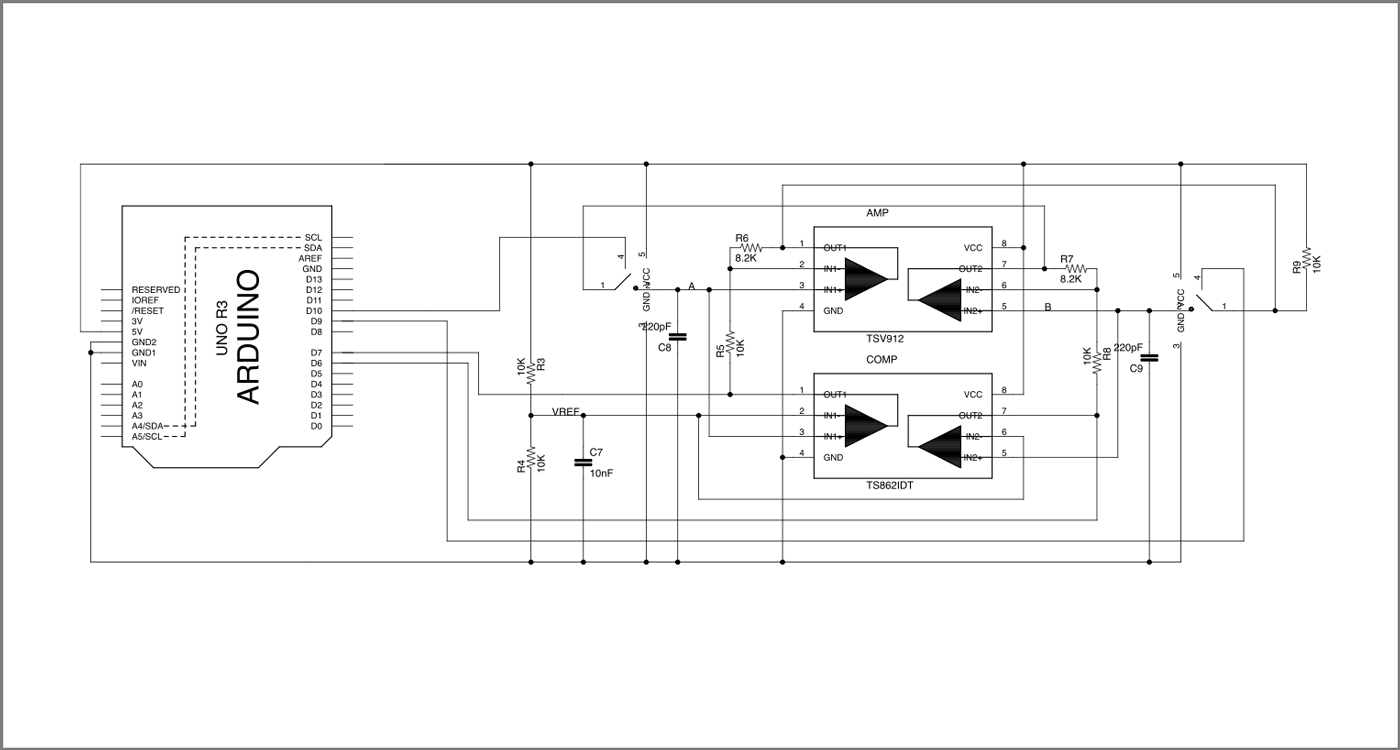
SMD Diagram